Intelliflo WFL-VSF met variabele snelheid én debiet!
De Intelliflo WFL-VSF pomp laat het zwembadwater geruislozer circuleren dan welke andere zwembadpomp dan ook.
Dit dankzij het uniek ontwerp van de leidkrans en waaier.
Deze kan op variabele snelheid en debiet draaien en is daarmee uniek in zijn soort.
Eigenschappen:
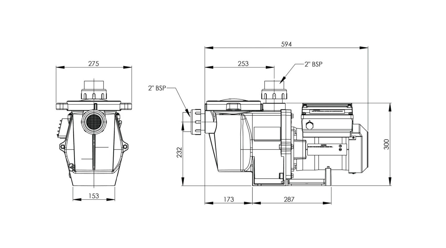
- Zelfaanzuigende pomp met een groot kunststof pomphuis, voorfilter met een grote zeefmand en een transparant inspectiedeksel.
- De aanzuig-/persopening hebben een 2″ draadaansluiting
- Met roteerbaar bedieningspaneel met aanduiding van debiet, RPM en energieverbruik (Watt).
- CE gekeurd
- Capaciteit van 5 tot 32 m³/uur, instelbaar.Â
- Voltage: 230
















Beoordelingen
Er zijn nog geen beoordelingen.