Pahlen elektrische zwembadverwarmer:
De elektrische verwarmers van Pahlen zijn ontworpen voor een continue doorstroming met een zo klein mogelijk drukverlies.
Dankzij zijn compact design neemt het toestel weinig plaats in.
De buitenmantel en kabelkast zijn gemaakt van glasvezel versterkt polypropyleen, terwijl het verwarmingselement vervaardigd is uit Incoloy 825 (niet geschikt voor baden met zoutelektrolyce systemen).
De verwarmer wordt geleverd met koppelstukken die gelijmd worden op buizen met een diameter van Ø 50 mm.
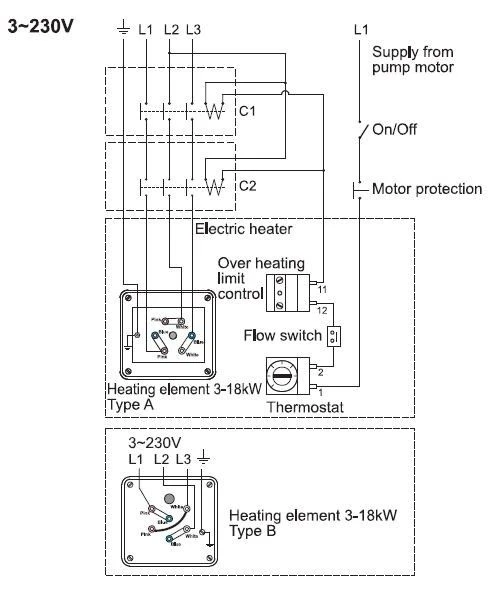
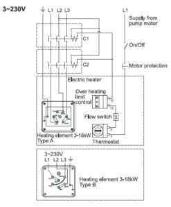
De elektrische verwarmer moet worden aangesloten op een contactor (relais) in de technische ruimte van het zwembad.
Alle toestellen zijn uitgerust met een thermostaat 0 – 45°C, beveiliging tegen oververhitting 60°C en debietschakelaar (flowswitch).
3 kW verwarmer voor particuliere privé zwembaden met een maximale waterinhoud van 10 m3.
Horizontale installatie elimineert de kans op luchtbellen en beschadiging aan het verwarmingselement.
Aanbevolen wordt het zwembad af te dekken met een zomer- en/of winterafdekzeil.
Stroomaansluitingen: 3 fase = 230V, 8 amp 3 fase = 400V, 5 amp
Let op: wisselaar is grijs of blauw van kleur.
Let op: alvorens deze heater te monteren zorgvuldig de handleiding doornemen!
Veel klanten maken de fout om de heater niet aan te sluiten met twee relais conform aansluitschema.
Indien u een heater wenst die veiliger is om te monteren is de Pahlen Aqua HL een juiste keuze. Deze vindt u elders op onze webshop.


















Beoordelingen
Er zijn nog geen beoordelingen.